Village Marine LTM-1800 460V 60hz 3 phase - 1800 GPD Watermaker - 90-6077 - Membranes are Included
Village Marine LTM Series was designed for those sailors looking for simplicity and maximun reliability. Straightforward operation makes it a breeze for anyone to use and install regardless of their experience with watermakers.
Standard Features:
- Membranes included
- Magnetic drive boost pump
- Uses high quality spiral wound TFC reverse
osmosis membranes - Powder coated mounting brackets included
- Cleanable prefilter
- Control manifold pressure regulator ensures consistent
pressure and prevents over or under pressurization of
the unit. Adjustable to allow operation in brackish or
fresh water - Stainless steel glycerin filled pressure gauges
- High pressure plunger pump with stainless steel
316 head
Sepecifications:
| Model | Part Number | Electrical Supply | Capacity | Weight |
| LTM-1800 460V | 90-6077 | 460V/60hz/3 phase | 75gal./h - 284 Liters/h | 168 LBS / 76Kg |
Consumables & Spares:
| Part Number | Descrition |
| 33-0238 | Membrane (4) |
| 85-0050 | Pump Oil |
| 33-0117 | 5 Micron Filter (up to model 800) |
| 33-0052 | 5 Micron Filter (model 1000 and up) |
| 33-0311 | Carbon Flush Filter |
| 33-0238 | Membrane Element |
| 90-0005 | Filter Housing O-Ring (up to model 800) |
| 33-0271 | Filter Housing O-Ring (model 1000 and up) |
| 90-2512 | Membrane O-Ring Kit |
| 40-0241 | Salinity Probe |
| 85-0102 | Cleaning Kit |
| 85-0103 | Preservation Kit |
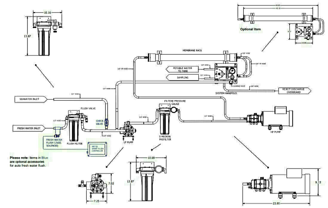
Connection diagram:
Optional equipent:
Salinity Monitor & Diversion Valve
12 VDC: 90-0081
110 VAC: 90-0115
220 VAC: 90-0116

For technical support and Installations in South Florida contact us at:
PHONE: 1-888-283-6685
Email: sales@wateryachtsolutions.com